
AREAL PLUS Immobilien GmbH
Herr Davut Özsay
017 ···
Nr. anzeigenPreise & Kosten
Provision für Käufer
3,57% (inkl. 19% MwSt.)
Lage
Zentral im Westerwald – gut angebunden und alltagsfreundlich
Die Steimeler Straße 2 liegt im Herzen von Puderbach, einem lebendigen Grundzentrum mit guter Nahversorgung. Supermärkte, Ärzte, Schulen und weitere Einrichtungen des täglichen Bedarfs sind bequem erreichbar – vieles auch zu Fuß.
Verkehrsanbindung:
•...
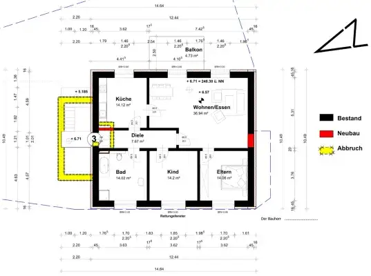
Die Wohnung
Wohnungslage
1. Geschoss
Bezug
2026
Wohnanlage
Energie & Heizung
Warum sehe ich diese Anzeige? – Du siehst diese Anzeige basierend auf Ihrer Navigation auf unserer Website und den Suchkriterien, die du verwendet hast.
Energieausweistyp
Bedarfsausweis
Gebäudetyp
Wohngebäude
Baujahr laut Energieausweis
2026
Wesentliche Energieträger
Wärmepumpe
Gültigkeit
01.06.2025 bis 30.05.2035
Effizienzklasse
B
Endenergiebedarf
50,00 kWh/(m²·a)
Weitere Energiedaten
Energieträger
Erdwärme
Heizungsart
Fußbodenheizung
Details
Objektbeschreibung
Exklusive Eigentumswohnungen – Erstbezug nach hochwertiger Sanierung
In diesem aktuell in umfassender Sanierung befindlichen Mehrfamilienhaus in Puderbach entstehen zwei großzügige Eigentumswohnungen mit jeweils ca. 105m² Wohnfläche – eine im Obergeschoss, eine im Dachgeschoss.
Beide Einheiten überzeugen durch ihre...
Ausstattung
Zu den Ausstattungs-Highlights zählen:
• Überdurchschnittliche Deckenhöhe von ca. 2,80m für ein großzügiges Raumgefühl
• Fußbodenheizung in allen Wohnräumen
• Dreifachverglaste, bodentiefe Fenster für helle, lichtdurchflutete Räume
• Balkon mit Zugang vom Wohnbereich
• Luxuriöses Badezimmer mit bodentiefer...
Weitere Informationen
Weitere Infos
Dieses Immobilienangebot ist für den Erwerber provisionspflichtig. Alle Angaben zum Objekt beruhen auf Angaben des/der Eigentümer/s oder sonstigen Dritten. Wir bitten daher um Verständnis, dass wir für deren Richtigkeit und Vollständigkeit keine Gewähr übernehmen können.
Anbieter der Immobilie
AREAL PLUS Immobilien GmbH
Bahnhofstraße 27, 56626 Andernach
Online-ID: 2kplv5p
Finde Angebote wie dieses
Hier geht es zu unserem Impressum, den Allgemeinen Geschäftsbedingungen, den Hinweisen zum Datenschutz und nutzungsbasierter Online-Werbung.