
Christian Gohla Immobilienteam
Kontaktiere den Anbieter schriftlich, es ist keine Telefonnummer hinterlegt.
Preise & Kosten
Provision für Käufer
7,14 % inkl. MwSt.
Lage
Bad Rehburg ist ein Ortsteil der Stadt Rehburg-Loccum im Landkreis Nienburg/Weser in Niedersachsen. Der kleine Ort liegt inmitten der bewaldeten Rehburger Berge, etwa 85 Meter über dem Meeresspiegel. Eingebettet in eine hügelige Landschaft, befindet er sich zwischen zwei markanten Gewässern: dem Steinhuder Meer rund fünf...
Das Renditeobjekt
Baujahr
1750
Bezug
nach Vereinbarung
Frei ab
vermietet
Energie & Heizung
Warum sehe ich diese Anzeige? – Du siehst diese Anzeige basierend auf Ihrer Navigation auf unserer Website und den Suchkriterien, die du verwendet hast.
Wärme
Energieausweistyp
Bedarfsausweis
Gebäudetyp
Nicht-Wohngebäude
Baujahr laut Energieausweis
1750
Wesentliche Energieträger
Öl
Gültigkeit
18.08.2022 bis 17.08.2032
Endenergiebedarf (Wärme)
221,40 kWh/(m²·a)
Weitere Energiedaten
Energieträger
Öl
Details
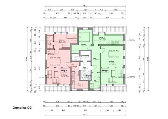
Objektbeschreibung
Bei dem angebotenen Objekt handelt es sich um ein Mehrfamilienhaus mit insgesamt fünf Wohneinheiten sowie einer zusätzlichen Gewerbeeinheit.
Durch die Kombination aus Wohn- und Gewerbeflächen sowie die zentrale Lage eignet sich das Objekt gleichermaßen als Kapitalanlage mit Entwicklungspotenzial wie auch für alternative...
Ausstattung
- Gewerbe (EG): 66,70 qm nutzbare Fläche / monatliche Mieteinnahmen: 380 EUR zzgl. Nebenkosten.
- WHG 1 (EG): 55,75 qm Wohnfläche / monatliche Mieteinnahmen: 360 EUR zzgl. Nebenkosten.
- WHG 2 (EG): 91,06 qm Wohnfläche / monatliche Mieteinnahmen: 610 EUR zzgl. Nebenkosten.
- WHG 3 (EG): 22,91 qm Wohnfläche /...
Preisinformation
4 Stellplätze
Ist-Mieteinnahmen pro Jahr: 32.400,00 EUR
Weitere Informationen
Sonstiges
Überwiegend ist die Immobilie ist derzeit an die Stadt Rehburg-Loccum vermietet (4 von 5 Wohnungen).
Für uns durch den Eigentümer gemachte Angaben können wir keine Haftung übernehmen.
Stichworte
Carport vorhanden, Stellplatz vorhanden, Wohnfläche: 278,44 m², Nutzfläche: 80,66 m², Gesamtfläche...
Anbieter der Immobilie
Christian Gohla Immobilienteam
Bismarckstraße 37 , 31582 Nienburg (Weser)
Kontaktiere den Anbieter schriftlich, es ist keine Telefonnummer hinterlegt.
Online-ID: 2l8ua5p
Referenznummer: 1220#UtQbH
Finde Angebote wie dieses
Hier geht es zu unserem Impressum, den Allgemeinen Geschäftsbedingungen, den Hinweisen zum Datenschutz und nutzungsbasierter Online-Werbung.