
Drenkhahn Immobilien GmbH
Herr Steffen Göllnitz, Betriebswirt (VWA)
+49 ···
Nr. anzeigenPreise & Kosten
Provision für Mieter
3,57 Bruttomonatswarmmieten inkl. gesetzl. MwSt.
Der Makler-Vertrag mit unserem Unternehmen entsteht durch schriftliche Vereinbarung oder durch die Inanspruchnahme unserer Maklertätigkeit. Weitere Informationen siehe Provisionshinweis.
Warum sehe ich diese Anzeige? – Du siehst diese Anzeige basierend auf Ihrer Navigation auf unserer Website und den Suchkriterien, die du verwendet hast.
Lage
Lütten-Klein ist ein etablierter Gewerbestandort im Nordwesten Rostocks. Der Stadtteil zeichnet sich durch eine hohe Wohn- und Geschäftsdichte aus und bietet damit ein großes Potenzial an Laufkundschaft sowie eine breite Zielgruppe für unterschiedliche Branchen.
Die Lage ist insbesondere für Unternehmen interessant...
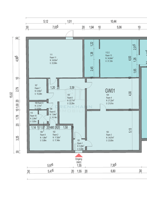
Die Ladenfläche
Fensterfront
5,00 m
Erdgeschoss
Energie & Heizung
Warum sehe ich diese Anzeige? – Du siehst diese Anzeige basierend auf Ihrer Navigation auf unserer Website und den Suchkriterien, die du verwendet hast.
Wärme
Strom
Energieausweistyp
Verbrauchsausweis
Gebäudetyp
Nicht-Wohngebäude
Gültigkeit
22.11.2021 bis 22.11.2031
Endenergieverbrauch (Wärme)
98,00 kWh/(m²·a)
Endenergieverbrauch (Strom)
97,00 kWh/(m²·a)
Weitere Energiedaten
Energieträger
Fernwärme
Details
Objektbeschreibung
Die angebotene Laden- bzw. Gastronomiefläche befindet sich ebenerdig in einem gepflegten Geschäftshaus. Die Gesamtfläche umfasst ca. 162 m² und beinhaltet neben der Verkaufs- bzw. Gastraumfläche auch Büro-, Lager- sowie Sanitärbereiche. Ob Büro oder Praxis, Café, Werkstatt, oder Einzelhandel - die Gegebenheiten vor Ort bieten...
Ausstattung
- flexibel nutzbare Fläche
- lichtdurchflutete Räume
- große Schaufensterfront
- Rückwärtige Rampe mit zusätzlichem Zugang
- separater Raum mit Dusche
Weitere Informationen
Provisionshinweis
3,57 Bruttomonatswarmmieten inkl. gesetzl. MwSt.
Der Makler-Vertrag mit unserem Unternehmen entsteht durch schriftliche Vereinbarung oder durch die Inanspruchnahme unserer Maklertätigkeit. Die Vertragsbasis bildet das Objekt-Exposé. Die Mieterprovision ist bei Vertragsabschluss verdient und fällig. Die...
Anbieter der Immobilie
Online-ID: 2lhm25p
Referenznummer: 131869217
Finde Angebote wie dieses
Hier geht es zu unserem Impressum, den Allgemeinen Geschäftsbedingungen, den Hinweisen zum Datenschutz und nutzungsbasierter Online-Werbung.