Version: 8.24.0Navigation ĂĽberspringen
449.000 €
4 Zimmer  â€˘  133 m²  â€˘  600 m² GrundstĂĽck
Immowelt logo

Bungalow zum Kauf - Erstbezug • provisionsfrei
449000 €
3.376 €/m²
4 Zimmer  â€˘  133 m²  â€˘  600 m² GrundstĂĽck

Provisionsfrei für Käufer: Exklusiver KFW 55 -Walmdachbungalow am See - Traumhaft

Provisionsfrei für Käufer: Wohnen am See - dieser Traum kann auch für Sie war werden. Dieser exklusive und energietechnisch hochwertige Winkelwalmdachbungalow steht in unmittelbarer Seenähe im schönen emsländischen Herzlake und wartet auf seinen neuen Besitzer. In schlüsselfertiger Weise inkl. aller Bauleistungen wie Maler-, Garten-, Fliesenarbeiten etc. erstellt bietet diese Traumimmobilie alles was das Herz begehrt. Energietechnisch auf dem neuesten Stand verfügt die Immobilie nicht nur über eine Luft-Wärmepumpe und Fußbodenheizung, sondern auch eine Vorrichtung für eine Photovoltaikanlage ist bereits vorhanden. 133 m² ebenerdige Wohnfläche eignen sich auch Ideal für seniorengerechtes Wohnen. Und wem das nicht genug ist, hat im teilweise bereits ausgebauten, Dachgeschoß noch ausreichend Reserve. Für den schnellen Internetzugang sorgt der Glasfaser Highspeed-Internetanschluss. Alle Räume sind hell und lichtdurchflutet uns mit 3-fachverglasten Kunststofffenstern mit elektrischen Rollladen versehen. Auf Wunsch und nach Baufortschritt können noch Kundenwünsche berücksichtigt werden. Also nicht lange warten - erfüllen Sie sich ihren Traum vom Haus am See. Anschauen lohnt sich.

Zustand der Immobilie:
Das Objekt wird z.Z. gebaut und steht kurz vor Fertigstellung. Das gute Preisleitungsverhältnis und die einmalige Lage am See machen diese Immobilien für jeden Käufer mehr als interessant.

Merkmale

  • Bezug: Nach Fertigstellung
  • 600 m² GrundstĂĽck
  • 2 Stellplätze: Garage, 2 AuĂźen-Stellplätze
  • Gäste-WC
  • Terrasse
  • Barrierefrei
Bodenbeläge:
Es werden elegante hochwertige Fliesenbodenbeläge verlegt. Die Bodenbeläge sind je nach Baufortschritt vom Erwerber frei wählbar. Alle Räume des Wohnhauses verfügen über eine Fußbodenheizung.

KĂĽche:
Angrenzend an die KĂĽche befindet sich der Hauswirtschaftsraum mit direktem Zugang in die Garage. Gerne sind wir Ihnen auch bei der Wahl einer neuen EinbaukĂĽche behilflich, unser KĂĽchenstudio wird Sie auch in diesem Punkt professionell beraten.

Bäder:
Das Top exklusive Badezimmer wird wie folgt ausgestattet: Wannenanlage, Waschbecken mit Möbel, großzügige bodentiefe Dusche, Hänge WC, deckenhohe und sehr geschmackvolle Verfliesung. Für Ihren Besuch ist ein separates Gäste-WC vorhanden. Auf hochwertige Elemente und Armaturen wird geachtet und Wert gelegt.

Garage:
Zum Objekt gehört eine Massive Garage mit elektrischem Sektionaltor in Anthrazit. Ein gepflasterter Wohnwagen- oder Wohnmobilstellplatz ist auf Wunsch möglich.

GrundstĂĽck:
Das Gartengrundstück wird komplett angelegt. Die Freiflächen werden mit Rasensaat versehen. Die Grundstücksgrenzen werden mit einer Hecke eingefriedet. Die teilüberdachte Gartenterrasse, ein Pflasterweg um das gesamte Objekt sowie die Hoffläche werden großzügig gepflastert.

Zusammenfassung:
Bei diesem tollen Objekt befinden sich der Preis und die Hochwertigkeit der Ausstattung des Hauses im Einklang. Die erstklassige einzigartige Lage am See spricht für sich und dieses Traumhaus. Bei weiteren Fragen steht Ihnen das Gründer-Immobilienmakler Team aus Dörpen im Emsland jeder Zeit zur Verfügung!

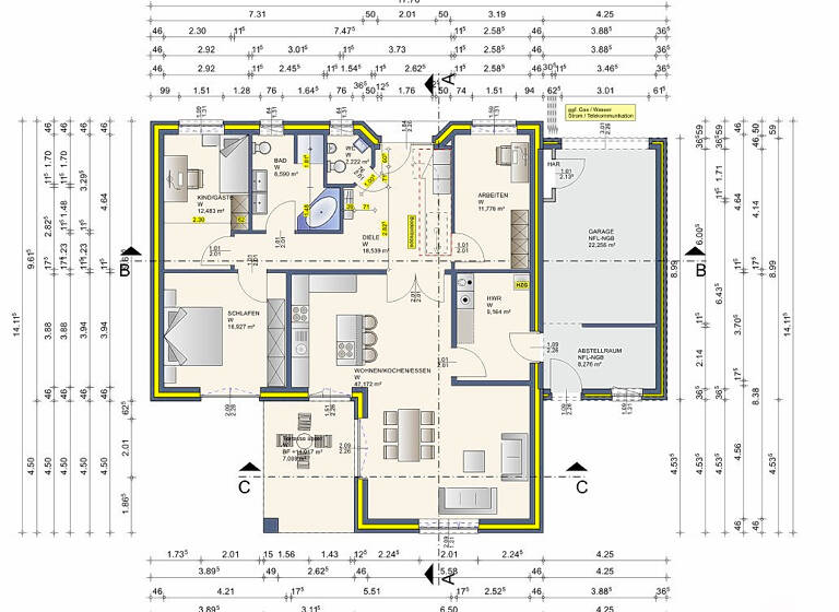
Grundrisse

Grundrisse
1 / 2

Realisiere Dein Projekt

Bausubstanz und Energie

Der Anbieter hat keine Informationen zum Energieverbrauch bereit gestellt.
  • Baujahr2026
  • Zustand der ImmobilieNeubau, Massivhaus, Erstbezug
  • EnergieträgerLuft-/Wasser-Wärmepumpe
Immowelt logo

Preisdetails

Kaufpreis
449000 €
3.375,94 €/m²
Provision für Käufer
provisionsfrei
Weitere Preisinformationen
2 Stellplätze
1 Garagenstellplatz
Geschätzte Gesamtkosten
480.430 €1
Kaufpreis
449.000 €
Notarkosten (1,5%)
6.735 €
Grunderwerbsteuer (5%)
22.450 €
Grundbucheintrag (0,5%)
2.245 €
1Der angezeigte Wert ist eine automatisch berechnete Schätzung von immowelt.
2Bei den Angaben handelt es sich um ortsübliche Werte. Individuelle Kosten können abweichen.

Lage

address-icon
Herzlake (49770)
Der Anbieter hat die genaue Adresse nicht freigegeben
Ruhige, naturnahe Südlage in unmittelbarer See- und Hasenähe. Direkter Seeblick! Stadtkern nur 5 Min. entfernt.

Herzlake ist eine charmante Gemeinde im Landkreis Emsland in Niedersachsen und bietet eine attraktive Mischung aus ländlichem Charme, Naturverbundenheit und praktischer Infrastruktur. Mit etwa 4.000 Einwohnern ist Herzlake ein ruhiger Wohnort, der dennoch über alles Notwendige für den Alltag verfügt.

Naturnahe Umgebung
Herzlake liegt inmitten einer idyllischen Landschaft aus Wäldern, Wiesen und Seen. Die Umgebung ist ideal für Outdoor-Aktivitäten wie Wandern, Radfahren, Angeln und Reiten. Besonders der Hase-Ems-Weg und die Seenlandschaft laden zu Freizeitaktivitäten und Erholung ein.

Familienfreundlichkeit
Die Gemeinde ist bekannt für ihre kinderfreundliche Atmosphäre. Es gibt mehrere Kindergärten und eine Grundschule vor Ort. Weiterführende Schulen sind in umliegenden Städten wie Meppen oder Haselünne gut erreichbar. Die sichere und ruhige Umgebung macht Herzlake besonders attraktiv für Familien.

Infrastruktur
Herzlake bietet eine gute Grundversorgung mit Geschäften des täglichen Bedarfs, Ärzten, Apotheken und gastronomischen Einrichtungen. Größere Städte wie Meppen oder Cloppenburg sind in kurzer Zeit mit dem Auto erreichbar, was die Region gut anbindet.

Lebensqualität
Die Kombination aus natürlicher Schönheit, Ruhe und einem aktiven Gemeindeleben macht Herzlake zu einem Ort mit hoher Lebensqualität. Besonders Menschen, die einen Ausgleich zum hektischen Stadtleben suchen, fühlen sich hier wohl.

Weitere Informationen

Sonstiges Aufteilung:
Erdgeschoss:
Flur ca. 15,06 m²
Gäste-WC ca. 2,26 m²
Küche ca. 14,48 m²
Wohnzimmer mit offener Küche ca. 39,34 m²
Hauswirtschaftsraum ca. 8,01 m²
Badezimmer ca. 8,77 m²
Schlafzimmer ca. 15,33 m²
Schlafzimmer ca. 11,93 m²
Schlafzimmer ca. 10,96 m²

Dachgeschoss:
Ausbaufähig

Nutzflächen:
Garage mit Geräteraum Stichworte Garage vorhanden, Anzahl der Schlafzimmer: 3, Anzahl der Badezimmer: 1, Anzahl der separaten WCs: 1, Anzahl Terrassen: 1 Sonstiges/Wohnen: seniorengerechtes Wohnen

Weitere Services

Lust auf eine Besichtigung?
Eine Frage zur Immobilie?
Nachricht hinzufĂĽgen
Mit der Nutzung der oben angegebenen Telefonnummer oder durch Klicken auf „Kontaktieren“ akzeptierst Du die Allgemeinen Nutzungsbedingungen, denen Du jederzeit widersprechen kannst. Weitere Informationen zum Datenschutz

Ăśber den Anbieter

Haupstraße 97, 26892 Dörpen
partner badge
Partnerschaft
Herr Ralf GrĂĽnder
Herr Ralf GrĂĽnderDein Kontakt
Online-ID: 2lwra5t
Referenznummer: 8436#CMHriC
GrĂĽnder Immobilien
title
GrĂĽnder Immobilien
Nachricht hinzufĂĽgen
Mit der Nutzung der oben angegebenen Telefonnummer oder durch Klicken auf „Kontaktieren“ akzeptierst Du die Allgemeinen Nutzungsbedingungen, denen Du jederzeit widersprechen kannst. Weitere Informationen zum Datenschutz
Wie zufrieden bist du mit dieser Seite (nicht mit der Immobilie selbst)?